
二、生物吸附法


三、氧化渠的典型布置

四、完全混合法基本流程

五、曝气生物滤池的污水处理系统典型工艺流程

六、污水处理典型工艺流程

七、氧化沟工艺

八、中水回用处理典型工艺流程

九、垃圾渗滤液典型工艺流程

十、城市污水回用处理工艺

十一、钢铁乳化液处理典型工艺流程

十二、城市污水处理工艺流程图

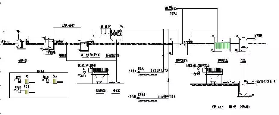
十三、污水处理厂典型工艺流程图

十四、造纸污水处理工艺流程

十五、屠宰废水处理工艺流程

十六、CAST污水处理工艺

十七、酸洗磷化废水处理工艺

十八、高矿化度矿井排水深度处理新工艺流程图

十九、脱硫废水处理工艺

二十、农药废水处理工艺流程图

二十一、高矿化度矿井排水深度处理新工艺流程图

二十二、膜法处理石化废水处理工艺流程

二十三、生活污水处理-CASS工艺



二十五、污水处理工艺流程图

二十六、城市污水处理工艺流程图

二十七、传统活性污泥法工艺流程图

二十八、MBFB工艺

二十九、电镀污水处理工艺流程


三十、脱硫废水处理工艺

三十一、塑胶电镀废水处理工艺图

三十二、炼油厂典型的废水处理工艺流程

三十三、制糖废水处理工艺流程图

三十四、焦化废水处理工艺流程


三十五、高浓度氨氮废水处理工艺流程图

三十六、cass工艺废水处理流程图

三十七、污水处理工艺流程组态图

三十八、SBR污水处理工艺

三十九、A2O工艺流程图

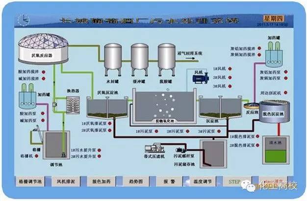
四十、污水处理的PLC自控系统

四十一、GW-T型整体地埋式隔油池

四十二、电镀污水处理设备

四十三、这是生活污水净水工艺

四十四、生活污水处理设备与工艺

四十五、MBR膜生物反应器工艺流程

四十六、反硝化除磷或其他脱氮工艺

四十七、污水处理设备污水处理工艺流程

四十八、ET RB悬链式污水处理曝气工艺及装置

四十九、ITT污水深度处理工艺及主要设备

五十、LP型一体化污水处理设备

五十一、污水处理技术工艺流程图详解

五十二、淀粉废水

五十三、果汁废水

五十四、含铅废水处理工艺流程图

五十五、合成革废水处理工艺流程图

五十六、化工废水处理工艺流程图

五十七、化纤废水处理方案

五十八、焦化废水处理工艺流程图

五十九、垃圾渗透液废水工艺流程图

六十、磷化废水废水处理工艺流程图

六十一、印染废水工艺流程图

六十二、制药废水处理工艺流程图

来源:环评互联网
电话:199 6528 3676
邮箱:68287632@qq.com
地址: 安徽省合肥市高新区创新大道2800号合肥软件园二期J2栋C座